网站首页
公司简介
新闻中心
公司动态
行业新闻
产品展示
电源浪涌保护器
信号浪涌保护器
智能防雷系列
避雷针系列
防雷检测
防雷箱系列
降阻剂、接地模块
铜包钢接地装置
接地材料
防雷接地工程
防雷智能化工程
雷电预警监测
工业监控云平台介绍
工业监控云平台主要界面
解决方案
智能防护在线监测系统
技术指导
工程案例
联系我们
网站首页
公司简介
新闻中心
产品展示
技术指导
工程案例
联系我们
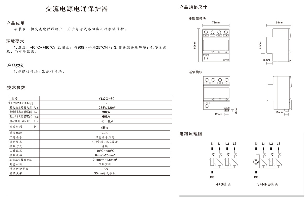
YLQG-60智能浪涌保护器
2019-05-21
上一篇
|
下一篇
|
返回
在线QQ
13953221936